Fan Modding with LEDs

width:640px;height:548+0+0px
width:640px;height:480+0+0px
width:640px;height:480+0+0px
width:480px;height:640+0+0px
Step 2 Step 3 Step 4 Step 5
width:565px;height:640+0+0px
width:441px;height:640+0+0px
width:640px;height:603+0+0px
width:640px;height:587+0+0px
Step 6 Step 7a Step 7b dsc02044

Prerequisites: 1 floppy drive, defunct; 6 leds, preferrably different colours; a short length of thin wire; a short length of thicker wire; some drilling and soldering skills.

Step 1 is not pictured. It involves carefully ripping the windings and rotor out of 3.5" floppy drive, drilling some holes in the nut holding the propeller and screwing the stator of the original motor to the nut.

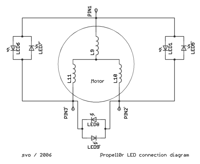
Step 2 involves soldering 3 groups of leds biased in reverse to each other, to make them shine from current going in both directions. I used 2 smd leds too, they are actually pretty easy to solder to eachother. It's hard to explain the connections without the picture.. Basically if you draw a star of 3 motor windings, then draw a triangle connecting its ends, the leds will be in the edges of that triangle.

Step 3. No project is good without tape. Tape the leds so they won't get ripped apart by centrifugal force. It's a good idea to fold the end of tape under the nut.

Step 4. attach some relatively hard piece of wire to the former rotor and put it in place. This wire will hold it static when the fan is spinning.

Step 5. Put on the cover mesh. The wire should go in some of the mesh holes, there's no need to attach it fast. There must not be much force ripping it off provided that the motor bearing is okay.

Step 6. Start at the slowest speed, then observe what happens!

Step 7. Turn off the lights, put on spacy music and drink some calvados!

Update For the curious, here is the wiring diagram.

Trackback

 
ABOVE
VALIDATE FOGMOZ — the power of a happy moo